• 0 item(s) in cart
  • |
  • MenuFES Membership Details
 
PRODUCT DETAILS
BALL SCREW (STB)
These compact and efficient solar tracking jacks are designed to precisely position loads at speeds up to 3.75 inches per minute.
Product Code
001C000408
Company Name
Joyce/Dayton Corp.
Country of Manufacture
USA
General Information

Please click on Product Spec and identify the correct Screw. You may send your Business Enquiry.


STB - Ball Screw Jacks Total SKUs (3)
Part Number Typical Dynamic Load Capacity Typical Staic Load Capacity Price
Part Number Typical Dynamic Load Capacity Typical Staic Load Capacity Price
STB-4.5 9,000 lb 20,000 lb
SKU
Each (USD $)
Call
STB-11 22,000 lb 40,000 lb
Call
STB-44 88,000 lb 88,000 lb
Call

Product DescriptionBall (STB) Solar Tracking JackSolar Worksheet

 These compact and efficient solar tracking jacks are designed to precisely position loads at speeds up to 3.75 inches per minute.

 

  • Aluminum housing
  • Alloy screw
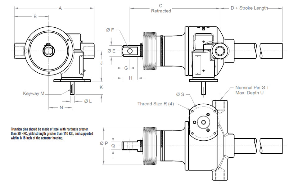
  • Customer to provide trunnion pins. They should be made of steel with hardness greater than 30 HRC, yield strength greater than 110 KSI, and supported within 1/16 inch of the actuator housing.

 


© 2010 First E Source Inc.     XML Sitemap
All rights reserved.
Payment Cards